 |
|
電 話:0517-86986118 |
傳 真:0517-86986115 |
商務熱線:13915181726 |
郵 箱:jszryb@163.com |
| 官方網址:http://m.lrxhb.com.cn |
地 址:江蘇省金湖縣金荷路201號 |
|
|
|
|
| |
|
分體式電磁流量計
關鍵字:電磁流量計,流量計,分體式電磁流量計 |
.jpg)
一、產品簡介:
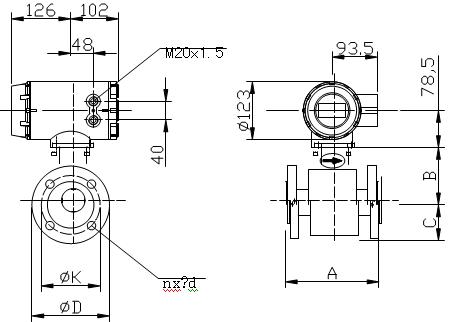
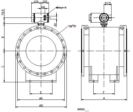
LDF型分體式電磁流量計測量原理是基于法拉第電磁感應定律。TX-LDF型分體式電磁流量計由傳感器和轉換器組成,傳感器安裝在測量管道上,轉換器被安裝在離傳感器30米內或100米內的場合,兩者間由屏蔽電纜連接。分體式電磁流量計傳感器主要組成部分是:測量管、電極、勵磁線圈、鐵芯與磁軛殼體。主要用于測量封閉管道中的導電液體和漿液中的體積流量。如水、污水、泥漿、紙漿、各種酸、堿、鹽溶液、食品漿液等,廣泛應用于石油、化工、冶金、紡織、食品、制藥、造紙等行業以及環保、市政管理,水利建設等領域測量高溫,高濕,不便觀察的環境。
二、產品特點
1、適用于導電率大于5цs/cm導電流體的體積流量測量。
2、測量管內無活動及阻流部件、壓力損失小
3、具有不同材質的襯里和電極有良好的防腐性能
4、不受介質、密度、粘度、溫度、壓力和導電率的影響
5、低頻矩形波勵磁、不易受干擾性、能穩定可靠
6、轉換器耗能低、安裝簡單方便、用戶不需調試
三、技術參數:
精度等級:±0.5%、±1%
襯里材質:聚氨脂、氯丁橡膠、聚四氟等
電極材質:不銹鋼、哈氏合金、鈦、鉑銥合金等
連接方式:法蘭夾裝、法蘭連接等
介質溫度:0℃~70℃、0℃~130℃(0℃~180℃)
公稱壓力:1.0Mpa~32 Mpa
防護等級:IP65、IP68
防爆標志:ExibBT4
工作電壓:220VAC、24VDC
工作原理
分體式電磁流量計流量顯示 4行中文液晶,直接顯示正反向流量及百分流量、流速等數據
精度等級 優于0.5%
參數設置 通過面板上的按鍵或直接設置各項參數:流量顯示單位、輸出信號量程 及脈沖當量值、零點調整、阻尼時間等
輸出信號
電流輸出 4-20mA
頻率輸出 有源脈沖:高電平≥20V 低電平≤0.5V 負載電流≤20mA
無源脈沖:高電平=外接電源-1V(外接電源電壓應≤30V) 低電平≤0.5V 負載
電流≤50 mA
通訊接口 RS485
防護等級 IP65
防爆等級:Exd(ib)ibqIIBT5
工作電源 直流24V或交流220V
四、產品選型
|
型號
|
口徑
|
|
|
LD
|
15~2600
|
|
|
|
代號
|
安裝形式
|
|
|
Y
|
一體式
|
|
F
|
分體式
|
|
|
代號
|
轉換器型號
|
|
ZA
|
圓形
|
|
ZB
|
方形
|
|
|
代號
|
輸出信號
|
|
I.4
|
4~20mA
|
|
f
|
頻率 1KHz
|
|
Rs
|
串行通訊(485)
|
|
C
|
控制輸出
|
|
|
代號
|
防爆要求
|
|
N
|
無防爆
|
|
EX
|
防爆(僅適用于分體式)
|
|
|
代號
|
介質溫度
|
|
T1
|
≤65℃
|
|
T2
|
≤120℃
|
|
T3
|
≤180℃(僅適用于分體式)
|
|
|
代號
|
內襯材質
|
|
NE
|
氯丁橡膠(≤65℃)
|
|
PTFE
|
聚四氟乙烯(≤189℃)
|
|
PVC
|
聚氯乙烯(≤70℃)
|
|
|
代號
|
電極材質
|
|
316L
|
不銹鋼
|
|
HC
|
哈氏合金C
|
|
HB
|
哈氏合金B
|
|
Ti
|
鈦
|
|
Ta
|
鉭
|

襯里材料的選擇
應根據被測介質的腐蝕性、磨損性及溫度來選擇。硬/軟橡膠可耐一般的弱酸、堿的腐蝕,耐溫65℃,軟橡膠油耐磨性,聚四氟乙烯幾乎能耐出磷酸以外的強酸、堿腐蝕,介質溫度可達130℃,但不可磨損。聚氨酯橡膠有較好的耐磨損,但不耐酸、堿腐蝕,耐溫度性較差,介質溫度小于65℃.參考表如下:
|
襯里材料
|
主要功能
|
適應范圍
|
|
硬橡膠
|
1、開奶常溫下的鹽酸、醋酸、草酸、氨水、磷酸及 50%的硫酸、氫氧化鈉、氫氧化鉀。
2、忌強氧化劑
|
1、低于65℃
2、一般的鹽、堿、鹽溶液
|
|
軟橡膠
|
1、有較好的彈性,耐磨性能較好。
2、耐一般的低濃度酸、堿、鹽介質的腐蝕。
3、不耐氧化性介質的腐蝕。
|
1、低于65℃
2、測一般水、污水、泥漿、礦漿
|
|
聚四氟乙烯
(PTFE)
改性聚四氟乙烯
(PEA)
|
1、塑料中化學性能最穩定的一種材料,能耐沸騰的鹽酸、硫酸、硝酸。也能耐濃堿和有機溶劑。
2、耐磨性和粘結性差。
|
1.-40℃~﹢130℃(PYFE)
-40℃~﹢200℃(PFA)
2.酸、堿等強腐蝕介質
3.衛生類介質
|
|
| |
| 相關信息 |
| ● 蒸汽流量計的安裝的幾點要求 ● 插入式電磁流量計在供水管道的應用介紹 ● 介紹關于數字化電磁流量計的產品特點 ● 關于渦街流量計使用事項 ● 分體式電磁流量計的技術參數 ● 關于渦街流量計使用的相關注意事項 ● 一體化孔板流量計 ● 電磁流量計溫度和壓力的選擇 ● 電磁流量計選用 ● 電磁流量計原理 ● 電磁流量計 ● 智能電磁流量計 ● 智能渦輪流量計 ● 金屬管浮子流量計 ● 渦輪流量計-智能型 ● 衛生型渦輪流量計 ● V錐流量計 ● 基本型液體渦輪流量計 ● 差壓式孔板流量計 ● 旋翼式蒸汽流量計 ● 智能型金屬管轉子流量計 ● 外夾式超聲波流量計 ● 質量流量計 ● 腰輪流量計 ● 楔式流量計 ● 時差式超聲波流量計 ● 羅茨流量計 ● 超聲波明渠流量計 ● 螺旋雙轉子流量計 ● 不銹鋼橢圓齒輪流量計 |
|
|
|